English
Español
Português
русский
Français
日本語
Deutsch
tiếng Việt
Italiano
Nederlands
ภาษาไทย
Polski
한국어
Svenska
magyar
Malay
বাংলা ভাষার
Dansk
Suomi
हिन्दी
Pilipino
Türkçe
Gaeilge
العربية
Indonesia
Norsk
تمل
český
ελληνικά
український
Javanese
فارسی
தமிழ்
తెలుగు
नेपाली
Burmese
български
ລາວ
Latine
Қазақша
Euskal
Azərbaycan
Slovenský jazyk
Македонски
Lietuvos
Eesti Keel
Română
Slovenski
मराठी
Srpski језик |
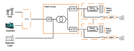
Característica El sistema utiliza unidades inversoras modulares en configuración paralela, donde la entrada de CC de cada módulo inversor corresponde a un gabinete de batería dedicado, permitiendo la gestión por clúster para eliminar las corrientes circulantes entre cadenas de baterías. Los módulos de alimentación CA/CC admiten una implementación flexible tanto en cantidad como en Potencia nominal, con una capacidad máxima de módulos de 60kW en paralelo de 5 unidades. configuración. La salida de CA de los módulos de potencia se entrega a través de un transformador. etapa de salida aislada, que suministra energía a la carga con una fuerte resistencia a choque actual. El ESS híbrido emplea integración fotovoltaica acoplada a CC, logrando un alto Eficiencia de conversión de energía y optimización para escenarios fuera de la red con energía fotovoltaica. la capacidad de generación excede la demanda de carga; Controladores MPPT aptos para exteriores integre las funcionalidades del combinador y MPPT en una única carcasa reforzada. El sistema completo incluye una opción de generador diésel ATS, un híbrido de 300 kW inversor, controlador PV MPPT y un sistema de almacenamiento de energía de batería.
Característica El sistema utiliza unidades inversoras modulares en configuración paralela, donde la entrada de CC de cada módulo inversor corresponde a un gabinete de batería dedicado, permitiendo la gestión por clúster para eliminar las corrientes circulantes entre cadenas de baterías. Los módulos de alimentación CA/CC admiten una implementación flexible tanto en cantidad como en Potencia nominal, con una capacidad máxima de módulos de 60kW en paralelo de 5 unidades. configuración. La salida de CA de los módulos de potencia se entrega a través de un transformador. etapa de salida aislada, que suministra energía a la carga con una fuerte resistencia a choque actual. El ESS híbrido emplea integración fotovoltaica acoplada a CC, logrando un alto Eficiencia de conversión de energía y optimización para escenarios fuera de la red con energía fotovoltaica. la capacidad de generación excede la demanda de carga; Controladores MPPT aptos para exteriores integre las funcionalidades del combinador y MPPT en una única carcasa reforzada. El sistema completo incluye una opción de generador diésel ATS, un híbrido de 300 kW inversor, controlador PV MPPT y un sistema de almacenamiento de energía de batería.
Presupuesto |
|||||
| Modelos | P200TS-400-A | P250TS-400-A | P300TS-400-A | ||
|
Parámetros del lado CC |
Rango de voltaje | 650-950 Vcc | |||
| Interruptor de entrada por módulo | 250A | ||||
| Número de canales CC | 3 vías | 4 vías | 5 vías | ||
|
Parámetros del lado CA (conectado a la red) |
Potencia nominal de salida | 200kW | 250kW | 300kW | |
| Potencia máxima de salida | 220kW | 275kW | 330kW | ||
| Corriente de salida nominal | 289A | 361A | 433A | ||
| THDi | <3% | ||||
| Tipo de cuadrícula | 3W+N+PE | ||||
| Rango de voltaje | 360 VCA ~ 440 VCA | ||||
| Rango de frecuencia | 45~55Hz/55~65Hz | ||||
| factor de potencia | -1~1 | ||||
|
isla Parámetros del lado AC |
Potencia nominal de salida | 200kW | 250 kW 300 kW | ||
| Tensión de salida nominal | 400 VCA | ||||
| Frecuencia de salida nominal | 50/60Hz | ||||
| THDu | <1% lineal, <5% no lineal<1% lineal, <5% no lineal | ||||
| Capacidad de sobrecarga | 110% de sobrecarga durante 10 minutos110% durante 10 minutos | ||||
|
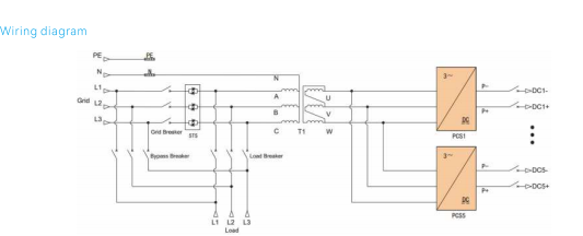
Isla de red Transferencia y aparamenta |
Interruptor de derivación de mantenimiento | 400A | 630A | ||
| Interruptores de red | 630A | 800A | |||
| interruptores de carga | 400A | 630A | |||
| unidad STS | 577A/400kW | 722A/500kW | |||
| tiempo de cambio | <20 ms | ||||
|
Parámetros del sistema |
Máxima eficiencia | 97,5% | |||
| Temperatura de funcionamiento | -30~55 ℃ -30~55 ℃ (Reducción de potencia por encima de 40 ℃) | ||||
| Humedad relativa | 0~95%RH,0~95%RH,sin condensación | ||||
| Dimensiones (L*D*H) | 1300×1050×2050mm | ||||
| Peso | 1400 kilos | 1700 kg 1800 kg | |||
| Grado IP | IP21 IP21 (juego completo) | ||||
| Ruido | <70dB | ||||
| Pantalla de visualización | pantalla táctil LCD | ||||
| comunicación BMS | PODER | ||||
| comunicación EMS | TCP/IP | ||||
Gabinete de almacenamiento de energía
Batería de litio de almacenamiento de energía vertical
Gabinete de rack Almacenamiento de energía Batería de litio
Batería de litio de almacenamiento de energía de montaje en pared
Batería de litio de almacenamiento de energía apilada
Batería de litio de almacenamiento de energía de alto voltaje