English
Español
Português
русский
Français
日本語
Deutsch
tiếng Việt
Italiano
Nederlands
ภาษาไทย
Polski
한국어
Svenska
magyar
Malay
বাংলা ভাষার
Dansk
Suomi
हिन्दी
Pilipino
Türkçe
Gaeilge
العربية
Indonesia
Norsk
تمل
český
ελληνικά
український
Javanese
فارسی
தமிழ்
తెలుగు
नेपाली
Burmese
български
ລາວ
Latine
Қазақша
Euskal
Azərbaycan
Slovenský jazyk
Македонски
Lietuvos
Eesti Keel
Română
Slovenski
मराठी
Srpski језик
Características del producto
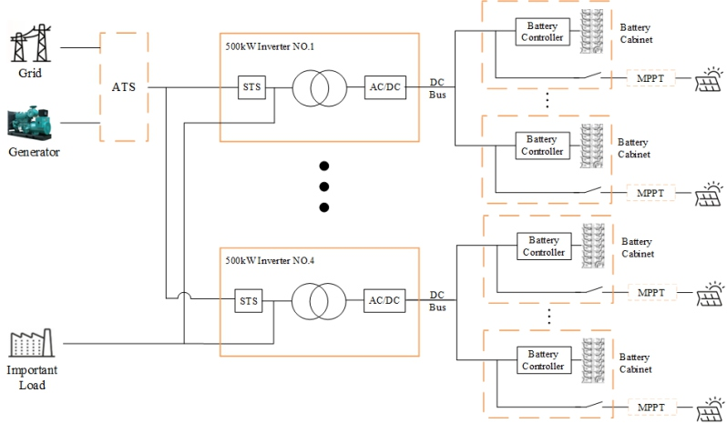
1. Para cargas superiores a 500 kW, se recomienda utilizar un inversor de almacenamiento de energía de una sola unidad de gran capacidad de 500 kW, que sea capaz de admitir hasta cuatro conjuntos de conexiones en paralelo, logrando una potencia de salida total de 2 MW;
2. Cuando se operan múltiples sistemas de 500 kW en paralelo y se distribuyen STSa entre diferentes inversores de 500 kW, es crucial garantizar que la longitud del cable desde el punto de conexión de la red hasta el punto de conexión de la carga sea consistente;
3.El ESS híbrido emplea integración fotovoltaica acoplada a CC, logrando una alta eficiencia de conversión de energía y optimizada para escenarios fuera de la red con una capacidad de generación fotovoltaica que excede la demanda de carga; MPPT apto para exteriores
Los controladores integran funcionalidades de combinador y MPPT en una única carcasa reforzada. El sistema completo incluye una opción de generador diésel ATS, un inversor híbrido de 300 kW, un controlador PV MPPT y una batería.
sistema de almacenamiento de energía.


Especificación
| Modelos | P500TS-400-A | |
|
Parámetros del lado CC |
Rango de voltaje | 500-950V |
| Corriente máxima | 1128A | |
| Potencia nominal de salida | 500kW | |
|
Parámetros del lado CA (conectado a la red) |
Potencia máxima de salida | 550kW |
| Corriente de salida nominal | 722A | |
| THDi | <3% | |
| Tipo de cuadrícula | 3W+N+PE | |
| Rango de voltaje | 360 VCA ~ 440 VCA | |
| Rango de frecuencia | 45~55Hz/55~65Hz | |
| factor de potencia | -1~1 | |
| Potencia nominal de salida | 500kW | |
|
Parámetros del lado CA (Fuera de la red) |
Tensión de salida nominal | 400V |
| Frecuencia de salida nominal | 50/60Hz | |
| THDu | <1%Carga lineal,<5%Carga no lineal | |
| Capacidad de sobrecarga | 110%10 minutos | |
| Interruptor de derivación de mantenimiento | 1250A | |
|
Interruptor fuera de la red y configuración del interruptor |
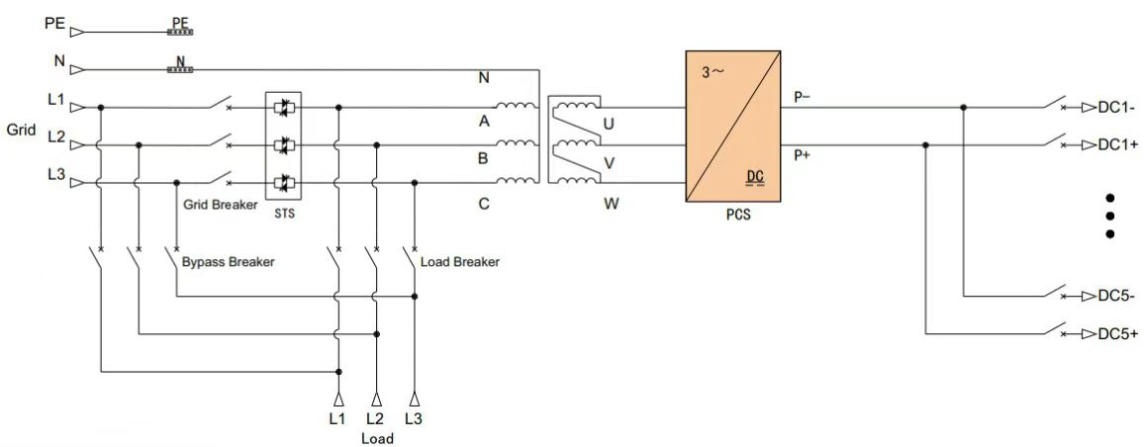
interruptor CC | 1250A |
| interruptor de carga | 1250A | |
| interruptor de red | 1250A | |
| unidad STS | 1155A/800kW | |
| tiempo de cambio | <20 ms | |
|
Parámetros del sistema |
Máxima eficiencia | 97,5% |
| Temperatura de funcionamiento | -30~55 ℃ (Reducción de potencia por encima de 40 ℃) | |
| Humedad relativa | 0 a 95% RH, sin condensación | |
| Dimensiones (L*D*H) | 1600×1050×2050mm | |
| Peso | 2700 kilos | |
| Grado IP | IP21 IP21 (máquina completa) | |
| Ruido | <70dB | |
| Pantalla de visualización | LCD | |
| comunicación BMS | PODER | |
| comunicación EMS | TCP/IP | |
Gabinete de almacenamiento de energía
Batería de litio de almacenamiento de energía vertical
Gabinete de rack Almacenamiento de energía Batería de litio
Batería de litio de almacenamiento de energía de montaje en pared
Batería de litio de almacenamiento de energía apilada
Batería de litio de almacenamiento de energía de alto voltaje